
GIQ氣動真空蝶閥是通過電磁換向閥改變氣路方向,控制執(zhí)行氣缸驅動蝶閥作啟閉運動,用于接通或切斷真空管路中的氣流。氣動真空蝶閥適用 介質為純凈空氣和非腐蝕性氣體,可選配反饋信號裝置及電氣閥門定位器。
GIQ系列氣動真空蝶閥主要性能:
● 漏率:≤1.3×10-9Pa.M3/S;
● 適用壓力范圍:1.3×10-5Pa~3×105Pa;
● 工作溫度:氟橡膠-25℃~+150℃;
● 安裝位置:任意;
● 氣源壓力:0.4-0.6Mpa;
● 閥板兩側壓力差與閥門開、關無關;
● 壽命:≥10000次。
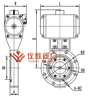
![]() |
![]() |
| 氣動真空蝶閥 | 氣動真空蝶閥結構圖 |
以電磁換向閥控制氣動執(zhí)行機構,使閥桿轉動90°達到開關目的。
特點:
● 閥門能承受正壓力;
● 閥桿不上下竄動;
● 氣缸采用1/4旋轉式氣缸,角度可調 1°~5°。
主要零件材料:
體、桿、板 不銹鋼、碳鋼鍍鎳;
密封件 氟橡膠、氟橡膠
| 型號 | DN | D | D0 | B | N | C | H | L | E |
|---|---|---|---|---|---|---|---|---|---|
| GIQ-32 | 32 | 90 | 70 | 22 | 4 | 9 | 187 | 158 | 58 |
| GIQ-40 | 40 | 100 | 80 | 22 | 4 | 9 | 197 | 158 | 58 |
| GIQ-50 | 50 | 110 | 90 | 22 | 4 | 9 | 207 | 158 | 58 |
| GIQ-63 | 63 | 130 | 110 | 28 | 4 | 9 | 227 | 158 | 58 |
| GIQ-80 | 80 | 145 | 125 | 28 | 8 | 9 | 242 | 158 | 58 |
| GIQ-100 | 100 | 165 | 145 | 28 | 8 | 9 | 262 | 158 | 58 |
| GIQ-125 | 125 | 200 | 175 | 34 | 8 | 11 | 323 | 172 | 70 |
| GIQ-160 | 150 | 225 | 200 | 34 | 8 | 11 | 348 | 172 | 70 |
| GIQ-200 | 200 | 285 | 260 | 40 | 12 | 11 | 450 | 197 | 97 |
| GIQ-250 | 250 | 335 | 310 | 45 | 12 | 11 | 525 | 248 | 117 |
| GIQ-320 | 300 | 425 | 395 | 50 | 12 | 14 | 622 | 248 | 117 |
| GIQ-400 | 400 | 510 | 480 | 60 | 16 | 14 | 733 | 295 | 138 |
| GIQ-500 | 500 | 610 | 580 | 70 | 16 | 14 | 900 | 360 | 159 |
| GIQ-600 | 600 | 750 | 720 | 80 | 20 | 14 | 980 | 370 | 174 |
| GIQ-800 | 800 | 920 | 890 | 100 | 24 | 14 | 1220 | 410 | 240 |
| GIQ-1000 | 1000 | 1120 | 1090 | 120 | 32 | 14 | 1594 | 580 | 300 |
| GIQ-1250 | 1250 | 1440 | 1404 | 150 | 36 | 19 | 2050 | 736 | 390 |